產品概述
XMFL-H剩余電流探測器前端斷路器開關的火線和零線,必須都要從本互感器中穿過(穿線方向不分前后);一般推薦銅線或鋁線使用圓形互感器,銅排或鋁排使用方形互感器;互感器的選型標準,根據線纜或銅排的尺寸,選擇對應的互感器窗口尺寸。只能專用于我公司生產的XMF系列電氣火災監控探測器,安裝使用過程中注意互感器的型號規格必須和產品的型號規格對應。如客戶有特殊安裝條件要求,可特別定制。
技術參數

注: 可根據客戶需求,定制各種規格
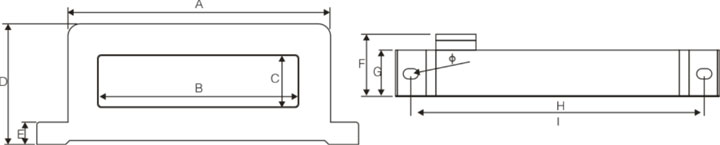
外形尺寸


重要提示
前端斷路器開關的火線和零線,必須都要從本互感器中穿過(穿線方向不分前后);一般推薦銅線或鋁線使用圓形互感器,銅排或鋁排使用方形互感器;互感器的選型標準,根據線纜或銅排的尺寸,選擇對應的互感器窗口尺寸。只能專用于我公司生產的XMF系列電氣火災監控探測器,安裝使用過程中注意互感器的型號規格必須和產品的型號規格對應。如客戶有特殊安裝條件要求,可特別定制。